Яндекс.Метрика
Mobirise

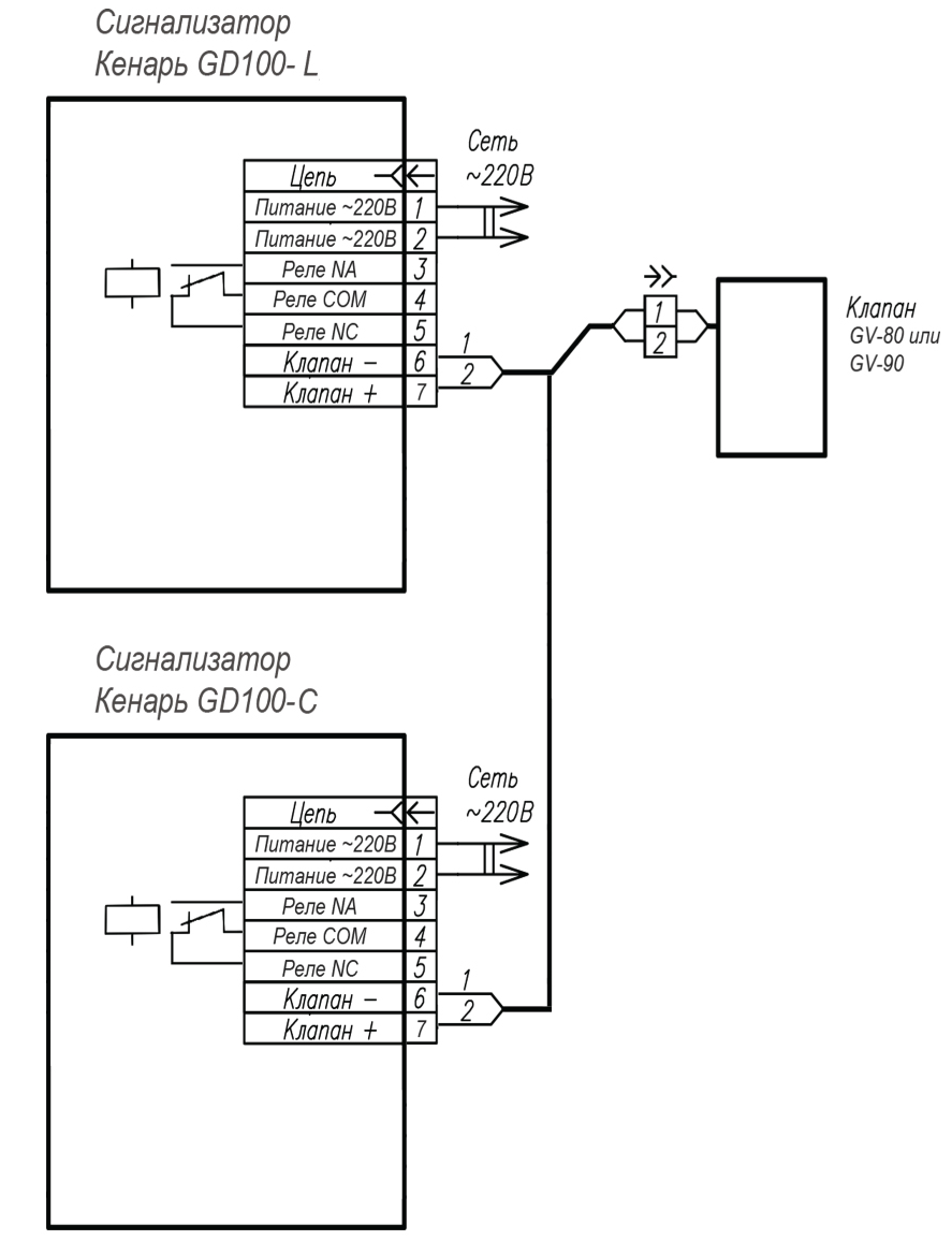
Сиcтема контроля загазованности Кенарь GD100-L + GD100-C (пропан + CO)

состоит из сигнализатора загазованности Кенарь GD100-L, GD100-C и электромагнитного клапана.

Основными документами, регламентирующими применение систем контроля загазованности являются СП 60.13330.2016 и СП 402.1325800.2018, в которых говорится, что: «В помещениях, в которых предусматривается установка газопотребляющего оборудования, следует предусматривать установку сигнализаторов загазованности по горючему газу и оксиду углерода с автоматическим отключением подачи газа.

Система контроля загазованности предназначена для непрерывного автоматического контроля содержания пропана и оксида углерода (C3H8 + CO) в воздухе, выдаче сигнализации о превышении допустимой концентрации и перекрытия газопровода.

Гарантийный срок на приборы: 12 месяцев.

Технические характеристики, рекомендации по применению, порядок установки приведены в Руководстве по эксплуатации к приборам.


Пример размещения оборудования

Схема соединения приборов

Адрес:

117393, г. Москва, Профсоюзная улица, дом 78 стр. 1

Контакты

Email:  sales@kenar.ru
Email:  info@kenar.ru
Телефон: +7 499 613 0306

Free AI Website Maker